Please Sign In
Username
Password
Parts Library
Assemblies and Builds
Battery Cables
Brackets
Braid, Tubing, and Heatshrink
Bussed Receptacles
Cable Sets
Cable Tie and Clips
Chemicals and Compounds
Conduit and Fittings
Connectors and Retainers
Connector Wire Seals
Covers and Boots
Diodes and Resistors
Electrical Device Mountings
Electronic Modules
Enclosures
E-Stops
Fuses and Circuit Breakers
Grommets and Glands
Hardware and Terminal Studs
Harnesses and Adaptors
Hour Meters
Jumpstart
Organiser Kits
Level Monitoring
Labels and Decals
Lights
Light Bars
Lockouts
Magnets
P Clamps
Power and Data Splitters
Pressure Monitoring
Proximity Switches
Radio Frequency
Relays
Replacement Harnesses
Reverse Alarms and Sonars
Switches and Contacts
Temperature Monitoring
Terminals and Lugs
Tooling
Uniswitches
Wire
Part Number
Colour
Gray
Material
Brass
Polyphenylene Sulfide
Operating Scale
Level Monitoring
 
Replacement Harnesses...
Field Service Catalogue...
Search all parts:
Part Number
All Fields
Return to Previous Page
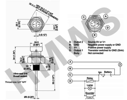
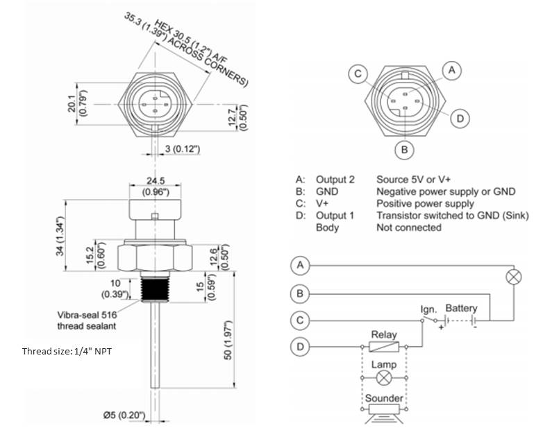
SW1189 - Low Coolant Module, 1/4
SW1189
HMWS PART NUMBER
Specifications are available to approved Customers.
Please sign up.
Pricing Information
Pricing information is available to approved Trade Customers. Please sign up.
Related Parts
Connectors and Retainers
CH1317